Cylindrická vložka EVVA 4KSxp 31/101 5 klíčů

Standardní provedení:

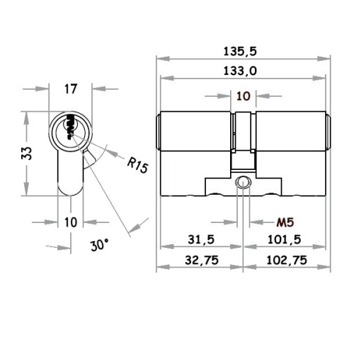
  • Přesné rozměrové schéma je v galerii obrázků
  • 5 ks prodloužených klíčů vhodných i pro kování s překrytím  
  • U TÉTO POLOŽKY DOPRAVA ZDARMA. Skladové zboží objednané do 10-ti hodin obvykle expedujeme tentýž den
  • Modulární systém SYMO, kdy změna rozměrů vložky je otázkou několika okamžiků na naší kamenné prodjeně. Výměna dveří již pro Vás neznamená nutnost koupě nové cylindrické vložky.
  • 100% bezpečnost proti neautorizované výrobě kopie klíče je zajištěna bezpečnostní kartou a výrobou duplikátů výhradně proti této bezpečnostní kartě
  • klíče v profilu 497TW k vložkám 4KSxp je možno zakuopit pouze u naší firmy 
  • Funkce bezpružinových stavítek (ochrana před překonáním a vysoká odolnost proti opotřebení)
  • Ploché řídící křivky zaručují nejvyšší odolnost proti opotřebení a jistotu fungování
  • Každý uzamykací systém je unikátem.
  • Ke stažení : KATALOG EVVA
  • Ke stažení : PROSPEKT EVVA 4KS
  • Ke stažení : CERTIFIKÁT EVVA 4KS

Provedení na objednávku:

  • KLÍČ NAVÍC - vložku dodáme s požadovaným počtem klíčů nad rámec základního počtu kusů, které jsou v ceně, při objednání většího množství je výrazné cenové zvýhodnění. Klíče vyrábíme na moderním NC stroji s přesností jako u originálních klíčů z výroby
  • PRODLOUŽENÉ KLÍČE - vložku dodáme s prodlouženými klíči - rozměrové schéma klíčů je součástí galerie obrázků. Příplatek je jednorázový za celou vložku s libovolným počtem klíčů
  • DESIGNOVÉ KLÍČE - klíče dodáme v provedení s designovými klíči. Barvu specifikujte v poznámce na konci objednávky. Příplatek je účtován za každý dodaný klíč - například k tříklíčové vložce se třemi klíči navíc je účtován 6x
  • SU - SJEDNOCENÍ VLOŽEK - jde o úpravu objednaných vložek tak aby šly otevírat jedním shodným klíčem. Sjednocovat lze všechny výrobky řady EVVA 4KS a to včetně visacích zámků a válcových vložek pro přídavné zámky. Sjednocení se počítá ke dvěma vložkám 2x, ke třem vložkám 3x atd. V ceně sjednoceného komletu jsou 3 klíče ke každé vložce
  • BSZ - PROSTUPOVÁ SPOJKA - jde o úpravu vložky tak, aby ji bylo možné z venkovní strany otevřít i když je z vnitřní strany zasunut a pootočen klíč. Tato úprava je možná až od rozměru 31/36
  • FL1 - FUNKCE VOLNÉHO NOSU - po vymutí klíče dojde k uvolnění uzamykacího nosu, který "spadne" do svislé polohy. Funkce je dostupná od rozměru 31/36
  • SOS - Funkce pro vložky s knoflíkem, kdy je možné vložku z vnější strany klíčem odmeknout, i když knoflík někdo drží. Funkce je dostupná od rozměru 31/36
  • ZR10 - Uzamykací nos vložky je nahrazen ozubeným patorkem s deseti zuby. Tato položka nezvyšuje bezpečnost vložky, ale používá se pro zadlabací zámky, které tuto funkci vyžadují. Tato úprava je možná až od rozměru 31/31
  • ZR12 - dtto. Obvykle pro celoplošné závory FAB. Je také kompatibilní se ZR13 již neexistujícího výrobce LOCKSYS, tato úprava je možná až od rozměru 31/31
  • PŘESTAVBA NA KNOFLÍK (OLIVU) - jde o úpravu vložky, kdy je jedna strana vložky osazena pevným knoflíkem, který umožňuje z vnitřní strany zamknout či odemknout zámek bez klíčů. Z vnější strany lze vložka vždy otevřít klíčem. Na výběr máte olivky FKN a AKN, KKN, GKN, MKN, OKN a RKN , (u provedení vložek v jiných povrchových úpravách je knoflík dodán v příslušné barvě)
  • POVRCHOVÉ ÚPRAVY - k dispozici jsou povrchy MOSAZ, ČERNÁ A HNĚDÁ PATINA, LEŠTĚNÁ MOSAZ a LEŠTĚNÝ NIKL. Všechna barevná provedení jsou výhradně na objednávku s dodací dobou obvykle 14 až 21 dnů - vložky jsou dodány v dané barvě, pokud jde o vložku s knoflíkem, pak danou barvu má i knoflík. Při volbě jiné povrchové úpravy budeme vždy požadovat platbu před objednáním z výroby

VŠECHNY PŘÍPLATKY JSOU ZAKÁZKOVOU ÚPRAVOU ZBOŽÍ A NENÍ U NICH MOŽNO ODSTOUPIT OD SMLOUVY V ZÁKONNÉ LHŮTĚ. V PŘÍPADĚ ODSTOUPENÍ OD SMLOUVY SE NÁKLADY NA TYTO SLUŽBY NEVRACÍ A ZÁROVEŇ SI VYHRAZUJEME PRÁVO ÚČTOVAT Z CENY VRÁCENÉ VLOŽKY POPALTEK 200,-KČ ZA JEJÍ UVEDENÍ DO TOVÁRNÍHO STAVU. Zboží se zakázkovou povrchovou úpravou vrátit nelze.

Montáž:

  • po vyjmutí původní vložky za dveří porovnejte správnost velikosti - shodnost s vymontovanou vložkou
  • nová cylindrická vložka musí jít do dveří vsunout bez použití síly. Jeden úder kladivem, či zapáčení šroubovákem může celý výrobek neopravitelně poškodit
  • pokud nejde vložka zasunout zcela volně, doporučujeme povolit, či zcela demontovat kování
  • pokud ani to nepomůže, povolte i zadlabací zámek ve dveřích
  • funkčnost vložky a všech klíčů vyzkoušejte před zavřením dveří
  • seznamte s výměnou vložky všechny uživatele, pokus vsunutí jiného klíče může výrobek poškodit
  • Ke stažení : EVVA NÁVOD K MONTÁŽI A ÚDRŽBĚ CYLINDRICKÝCH VLOŽEK

Údržba:

  • cylindrickou vložku minimálně 1x za 6 měsíců promažte vhodným přípravkem na cylindrické vložky.
  • v naší nabídce najdete značková mazadle EVVA, MULTLOCK, FAB , GEGE, INTERFLON
  • !! NIKDY NEMAŽTE VLOŽKU OLEJEM ANI GRAFITEM !!
  • NEPOUŽÍVEJTE POŠKOZENÉ KLÍČE, OHNUTÉ KLÍČE TAKÉ NIKDY NEROVNEJTE
  • NIKDY NEDOPUSŤTE, ABYJSTE OD VLOŽKY MĚLI POUZE JEDEN KLÍČ
  • v případě že běžné promazání nepomůže, doporučujeme nechat vložku vyčistit ve specializované dílně.
Artikl: EV 4KX 31+9A 5
Hmotnost: 0,40 Kg
Skladem:
1,00 ks
skladová dostupnost je orientační a je aktualizována v pracovní době cca každé 2 hodiny
Dostupnost: SKLADEM - PŘIPRAVÍME Z MODULŮ
Cena na prodejně 6 800 Kč
Na webu ušetříte 5,00%
Cena bez DPH 5 338,84 Kč
Cena 6 460 Kč

Volitelné příplatky

682 Kč
0 Kč
185 Kč
549 Kč
1 330 Kč
1 330 Kč
1 330 Kč
808 Kč
808 Kč
0 Kč
0 Kč
393 Kč
679 Kč
679 Kč
679 Kč
679 Kč
679 Kč
972 Kč
972 Kč
972 Kč
242 Kč
Celková cena včetně příplatku  0 Kč
Přidat do košíku

Potřebujete poradit?

777 722 565 nebo obchod@kareco.cz

Související produkty