Cylindrická vložka EVVA FPS 36+76mm 5 klíčů

Český výrobek

Standardní provedení:

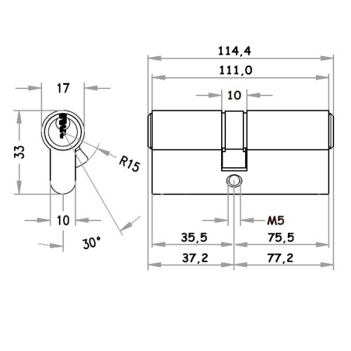
  • přesné rozměry jsou uvedeny v rozměrovém schématu v galerii obrázků
  • 5 ks prodloužených klíčů vhodných i pro kování s překrytím vyrobených ze stříbroniklu, který je výrazně pevnější než běžné mosazní klíče 
  • bezpečnostní karta a chráněný profil 30T, nebo 34F (dle momentální skladové zásoby), který je k dispozici v síti srvisních partnerů EVVA  
  • povrchová úprava saténový nikl
  • ochrana proti odvrtání, překrytý profil klíče a tvarové blokovací kolíky chrání vložku proti vyhmatání (jeden ze způsobů násilného napadení zámkové vložky)
  • niklovaná stavítka a blokovací kolíky zajišťují nižší opotřebení a dlouhou životnost uzamykacího mechanizmu
  • délka tělesa vložky od upevňovacího otvoru již od 27mm na obě strany 
  • kompletní rozměrová řada do 120 mm skladem
  • možnost začlenění do uzamykacích systémů
  • uzamykací nos vhodný pro tuzemské i zahraniční zadlabávací zámky
  • požární odolnost T30 (odolává 30 min teplotě 821°C)
  • certifikát bezpečnosti 3.BT ke stažení zde

Provedení na objednávku:

  • KLÍČ NAVÍC - vložku dodáme s požadovaným počtem klíčů nad rámec základního počtu kusů, které jsou v ceně, při objednání většího množství je výrazné cenové zvýhodnění. Klíče vyrábíme na moderním NC stroji s přesností jako u originálních klíčů z výroby
  • SU - SJEDNOCENÍ VLOŽEK - jde o úpravu objednaných vložek tak aby šly otevírat jedním shodným klíčem. Sjednocovat lze všechny výrobky řady EVVA FPS a to včetně visacích zámků a válcových vložek pro přídavné zámky, pokud jsou v profilu 30T. Sjednocení se počítá ke dvěma vložkám 1x, ke třem vložkám 2x atd. V ceně sjednoceného komletu jsou pouze klíče od první sjednocované vložky/zámku.
  • BSZ - PROSTUPOVÁ SPOJKA - jde o úpravu vložky tak, aby ji bylo možné z venkovní strany otevřít i kdyžz je z vnitřní strany zasunut a pootočen klíč. Tato úprava je možná až od rozměru 27/36
  • ZR10 - Uzamykací nos vložky je u standardní oboustranné vložky nahrazen ozubeným patorkem s deseti zuby. Tato položka nezvyšuje bezpečnost vložky, ale používá se pro zadlabací zámky, které tuto funkci vyžadují
  • ZR10 pro BSZ a KNOFLÍK: uzamykací nos je u vložky s prostupovou spojkou, nebo knoflíkem nahrazen ozubeným pastorkem 10 zubů
  • ZR 12 - dtto. Obvykle pro celoplošné závory FAB. Je také kompatibilní se ZR13 již neexistujícího výrobce LOCKSYS, tuto položku je možné kombinovat i s prostupovou spojkou BSZ, či knoflíkem
  • ZR 16 a ZR18- dtto - méně rozšířené systémy závor HSP a podobně. Tyto dvě varianty nelze kombinovat s BSZ a KNOFLÍKEM
  • PŘESTAVBA NA KNOFLÍK (OLIVU) - jde o úpravu vložky, kdy je jedna strana vložky osazena pevným knoflíkem, který umožňuje z vnitřní strany zamknout či odmknout zámek baz klíčů. Z vnější strany lze vložka vždy otevřít klíčem. Na vývběr máte olivky FKN černý lak, FKN nikl a AKN Nikl, (u mosazného provedení vložek pak FKN Ms a AKN Ms)
  • MOSZNÉ PROVEDENÍ - provedení výhradně na objednávku s dodací dobou obvykle 10 až 14 dnů - vložky jsou dodány v bavě přírodní mosaz povrchově neupravná. U této varianty budeme požadovat platbu před objednáním.

VŠECHNY PŘÍPLATKY JSOU ZAKÁZKOVOU ÚPRAVOU ZBOŽÍ A NENÍ U NICH MOŽNO ODSTOUPIT OD SMLOUVY V ZÁKONNÉ LHŮTĚ. V PŘÍPADĚ ODSTOUPENÍ OD SMLOUVY SE NÁKLADY NA TYTO SLUŽBY NEVRACÍ A ZÁROVEŇ SI VYHRAZUJEME PRÁVO ÚČTOVAT Z CENY VRÁCENÉ VLOŽKY POPALTEK 200,-KČ ZA JEJÍ UVEDENÍ DO TOVÁRNÍHO STAVU

Montáž:

  • po vyjmutí původní vložky za dveří porovnejte správnost velikosti - shodnost s vymontovanou vložkou
  • nová cylindrická vložka musí jít do dveří vsunout bez použití síly. Jeden úder kladivem, či zapáčení šroubovákem může celý výrobe neopravitelně poškodit
  • pokud nejde vložka zasunout zcela volně, douporučujeme povolit, či zcela demontovat kování
  • pokud ani to nepomůže, povolte i zadlabací zámek ve dveřích
  • funkčnost vložky a všech klíčů vyzkoušejte před zavřením dveří
  • seznamte s výměnou vložky všechny uživatele, pokus vsunutí jiného klíče může výrobek poškodit

Údržba:

  • cylindrickou vložku minimálně 1x za 6 měsíců promažte vhodným přípravkem na cylindrické vložky.
  • v naší nabídce najdete značková mazadle EVVA, MULTLOCK, FAB , GEGE, INTERFLON
  • !! NIKDY NEMAŽTE VLOŽKU OLEJEM ANI GRAFITEM !!
  • NEPOUŽÍVEJTE POŠKOZENÉ KLÍČE, OHNUTÉ KLÍČE TAKÉ NIKDY NEROVNEJTE
  • NIKDY NEDOPUSŤTE, ABY JSTE OD VLOŽKY MĚLI POUZE JEDEN KLÍČ
  • v případě že běžné promazání nepomůže, doporučujeme nechat vložku vyčistit ve specializvoané prodejně rozebráním .
Artikl: GFPS 36+76
Hmotnost: 0,35 Kg
Skladem:
1,00 ks
skladová dostupnost je orientační a je aktualizována v pracovní době cca každé 2 hodiny
Dostupnost: SKLADEM
Cena na prodejně 1 688 Kč
Na webu ušetříte 10,01%
Cena bez DPH 1 255,37 Kč
Cena 1 519 Kč

Volitelné příplatky

256 Kč
198 Kč
144 Kč
484 Kč
484 Kč
484 Kč
484 Kč
145 Kč
424 Kč
424 Kč
145 Kč
424 Kč
424 Kč
138 Kč
6 690 Kč
13 104 Kč
Celková cena včetně příplatku  0 Kč
Přidat do košíku

Potřebujete poradit?

777 722 565 nebo obchod@kareco.cz