Cylindrická vložka GEGE pExtra+combi 30+35 3 klíče

Český výrobek Novinka

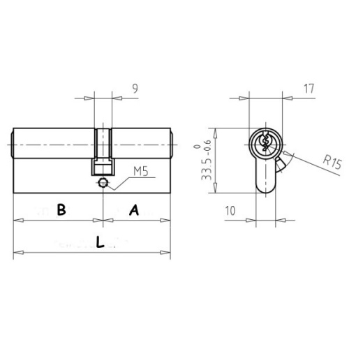
Rozměry:

  • A=30mm, B=35mm, L=65mm

Vlastnosti výrobku:

  • cylindrická vložka ve třídě bezpečnosti RC3 dle ČSN EN 1627
  • patentově chráněný profil do roku 2032 - zákaznický profil naší provozovny
  • kopie klíče pouze na základě bezpečnostní karty na naší provozovně
  • ochranu proti vyhmatání a vyplanžetování zajišťuje překrytý profil a několik druhů blokovacích kolíků
  • 100% ochranu proti SG/Bump key metodě zajišťuje patentované centrovací stavítko
  • vložky Vám na přání dodáme v systému hlavního / generálního klíče
  • na počkání Vám na naší provozovně vložky sjednotíme, vyřízneme libovolný počet klíčů,
  • rovněž na počkání provedeme přestavbu na nové klíče po přípdané ztrátě či zneužití klíčů
  • na přání je možno vložku dodat s olivou, v provedení BSZ, s 10-ti zubým kolečkem
  • na přání je možno vložku dodat se zvýšenou odolností proti odvrtání
  • vložka je kompletována z dílů v ČR

VŠECHNY PŘÍPLATKY JSOU ZAKÁZKOVOU ÚPRAVOU ZBOŽÍ A NENÍ U NICH MOŽNO ODSTOUPIT OD SMLOUVY V ZÁKONNÉ LHŮTĚ. V PŘÍPADĚ ODSTOUPENÍ OD SMLOUVY SE NÁKLADY NA TYTO SLUŽBY NEVRACÍ A ZÁROVEŇ SI VYHRAZUJEME PRÁVO ÚČTOVAT Z CENY VRÁCENÉ VLOŽKY POPLATEK 200,-KČ ZA JEJÍ UVEDENÍ DO TOVÁRNÍHO STAVU

  • KLÍČ VYFRÉZOVANÝ: klíč navíc nad standardní počet pěti kusů klíčů
  • SJEDNOCENÍ NA SHODNÝ KLÍČ (SU): sjednocení více vložek na shodný klíč. Sjednocení se účtuje 1x ke dvěma vlořkám, 2x ke třem vložkám atd. V ceně sjednocení je vždy pouze pět klíčů od první cylindrické vložky. Výrobky pExtra lze sjednocovat pouze s příslušnými produkty ve stejné typové řadě
  • ZR10: osazení ozubeným pastorkem s deseti zuby místo palce DIN
  • PROSTUPOVÁ SPOJKA: možnost otevření vložky při zasunutém klíči z druhé strany
  • KNOFLÍK KOVOVÝ STRANĚ XX: přestavba cylindrické vložky na vložku s knoflíkem (olivou) na dané straně. V tomto provedení lze vložku vždy otevřít z venkovní strany klíčem bez ohledu na polohu olivky

Montáž:

  • po vyjmutí původní vložky za dveří porovnejte správnost velikosti - shodnost s vymontovanou vložkou
  • nová cylindrická vložka musí jít do dveří vsunout bez použití síly. Jeden úder kladivem, či zapáčení šroubovákem může celý výrobek neopravitelně poškodit
  • pokud nejde vložka zasunout zcela volně, doporučujeme povolit, či zcela demontovat kování
  • pokud ani to nepomůže, povolte i zadlabací zámek ve dveřích
  • funkčnost vložky a všech klíčů vyzkoušejte před zavřením dveří
  • seznamte s výměnou vložky všechny uživatele, pokus vsunutí jiného klíče může výrobek poškodit

Údržba:

  • cylindrickou vložku minimálně 1x za 6 měsíců promažte vhodným přípravkem na cylindrické vložky.
  • v naší nabídce najdete značková mazadle EVVA, MULTLOCK, FAB , GEGE, INTERFLON
  • !! NIKDY NEMAŽTE VLOŽKU OLEJEM ANI GRAFITEM !!
  • NEPOUŽÍVEJTE POŠKOZENÉ KLÍČE, OHNUTÉ KLÍČE TAKÉ NIKDY NEROVNEJTE
  • NIKDY NEDOPUSŤTE, ABY JSTE OD VLOŽKY MĚLI POUZE JEDEN KLÍČ
  • v případě že běžné promazání nepomůže, doporučujeme nechat vložku vyčistit ve specializované prodejně.
Artikl: GG P+3 30+35
Hmotnost: 0,35 Kg
Skladem:
0 ks
skladová dostupnost je orientační a je aktualizována v pracovní době cca každé 2 hodiny
Dostupnost: 3 AŽ 4 DNY
Cena na prodejně 1 043 Kč
Na webu ušetříte 9,97%
Cena bez DPH 776,03 Kč
Cena 939 Kč

Volitelné příplatky

122 Kč
5 760 Kč
10 935 Kč
192 Kč
300 Kč
300 Kč
250 Kč
250 Kč
Celková cena včetně příplatku  0 Kč
Přidat do košíku

Potřebujete poradit?

777 722 565 nebo obchod@kareco.cz